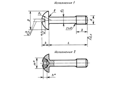
Винт с полукруглой головкой, класс точности В ГОСТ 10341-80 широко применяется в приборостроении, автомобилестроении, производстве мебели, машиностроении, строительстве, промышленности и других областях хозяйственной деятельности для соединения деревянных и металлических узлов и деталей.
Вместе с винтами с полукруглой головкой ГОСТ 10341-80, для создания соединений применяются гайки и шайбы соответствующих параметров.
Винт с полукруглой головкой, класс точности В ГОСТ 10341-80 - фото - 2

Винт с полукруглой головкой, класс точности В ГОСТ 10341-80

Винт с полукруглой головкой, класс точности В ГОСТ 10341-80 широко применяется в приборостроении, автомобилестроении, производстве мебели, машиностроении, строительстве, промышленности и других областях хозяйственной деятельности для соединения деревянных и металлических узлов и деталей.
Вместе с винтами с полукруглой головкой ГОСТ 10341-80, для создания соединений применяются гайки и шайбы соответствующих параметров.
Санкт-Петербургский Завод крепежных изделий © 2025г. Все права защищены
Адрес
СПб, г. Колпино, б-р Трудящихся, дом 2, лит. А., пом. 13-Н, офис 1
Яндекс.Метрика