- Главная
- Каталог
- Крепеж
- Гайки
- Гайки шестигранные
- Гайка высокопрочная шестигранная с увеличенным размером ГОСТ Р 52645-2006
Гайка высокопрочная шестигранная с увеличенным размером ГОСТ Р 52645-2006
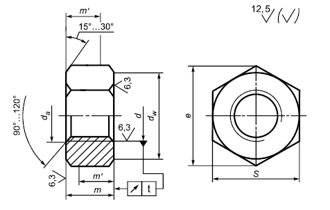
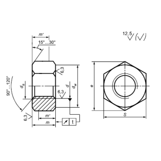
Гайки высокопрочные шестигранные с увеличенным размером "под ключ", ГОСТ Р 52645-2006. Применяются в металлических конструкциях, применяемых в строительстве и машиностроении, эксплуатируемых районах с умеренным и холодным климотом.
Поле допуска резьбы: 6H.
Марка стали: 3, 20, 35, 45, 40Х, 09Г2С, 12Х13.
Класс прочности: 4; 5; 6; 8; 10; 12.
Поле допуска резьбы: 6H.
Марка стали: 3, 20, 35, 45, 40Х, 09Г2С, 12Х13.
Класс прочности: 4; 5; 6; 8; 10; 12.




