- Главная
- Каталог
- Крепеж
- Фланцы, заглушки, втулки
- Заглушки
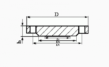
- Фланцевая стальная заглушка
Фланцевая стальная заглушка
-
Изготовление
Стальные заглушки применяют для перекрытия трубопровода на время установки трубопроводной арматуры, оборудования, ремонта или резервирования запланированных для подключения веток трубопровода. Фланцевая заглушка 80 устанавливают на конце трубопроводов.
Они могут перекрывать отдельные участки:
- нефтепроводов;
- водопроводов;
- газопроводов;
- нефтеперерабатывающих заводов.
Способы изготовления
Фланцевые заглушки изготавливают несколькими способами:
- горячей штамповкой;
- газорезкой вырезки из листовой стали и металлопроката.
Эти методы позволяют получить изделия без микротрещин и пустот.
В зависимости от марки стали заглушки могут использоваться:
- при температуре −70 —>+650°С;
- давлении 0,6 —>16 МПа.
Для надежной работы характеристики заглушки должны соответствовать сопряженной с ней детали:
- по марке стали;
- рабочему давлению;
- геометрическим размерам.
Толщину стенок стальных фланцевых заглушек подбирает в соответствии с условиями эксплуатации. Основным преимуществом стальных заглушек является надежность герметизации определенных участков трубопровода высокая скорость и простота монтажа.
Стальные заглушки применяют для перекрытия трубопровода на время установки трубопроводной арматуры, оборудования, ремонта или резервирования запланированных для подключения веток трубопровода. Фланцевая заглушка 80 устанавливают на конце трубопроводов.
Они могут перекрывать отдельные участки:
- нефтепроводов;
- водопроводов;
- газопроводов;
- нефтеперерабатывающих заводов.
Способы изготовления
Фланцевые заглушки изготавливают несколькими способами:
- горячей штамповкой;
- газорезкой вырезки из листовой стали и металлопроката.
Эти методы позволяют получить изделия без микротрещин и пустот.
В зависимости от марки стали заглушки могут использоваться:
- при температуре −70 —>+650°С;
- давлении 0,6 —>16 МПа.
Для надежной работы характеристики заглушки должны соответствовать сопряженной с ней детали:
- по марке стали;
- рабочему давлению;
- геометрическим размерам.
Толщину стенок стальных фланцевых заглушек подбирает в соответствии с условиями эксплуатации. Основным преимуществом стальных заглушек является надежность герметизации определенных участков трубопровода высокая скорость и простота монтажа.




