Болт ГОСТ 14725-69 специального назначения нашел свое применение в различных областях. Его применяют в узлах, где нужно обеспечить прочное соединение 2-х частей. Подойдут для тех ситуаций, где требуется частая сборка и разборка конструкций. Благодаря наличию резьбы в виде трапеции обеспечивается передача усилий при фиксации детали в приспособлении. Их используются в качестве ходового винта в случаях сборки, крепления приспособлений (станочных, слесарных).
Болты откидные с трапецеидальной резьбой ГОСТ 14725-69 - фото - 2

Болты откидные с трапецеидальной резьбой ГОСТ 14725-69

Болт ГОСТ 14725-69 специального назначения нашел свое применение в различных областях. Его применяют в узлах, где нужно обеспечить прочное соединение 2-х частей. Подойдут для тех ситуаций, где требуется частая сборка и разборка конструкций. Благодаря наличию резьбы в виде трапеции обеспечивается передача усилий при фиксации детали в приспособлении. Их используются в качестве ходового винта в случаях сборки, крепления приспособлений (станочных, слесарных).
  • Технические характеристики

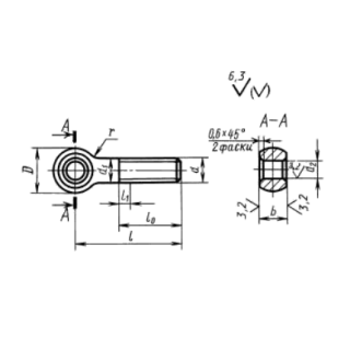
Болт ГОСТ 14725-69: характеристики

Крепежная часть изготавливается из качественного материала различных марок и типоразмерах. Это позволит расширить ассортимент изделий. Обычно применяется сталь 45 с оцинкованием в качестве защитного покрытия. Оно придает прочность, устойчивость крепежу. Твердость сырья должна соответствовать 34,5–39,5 единиц.

Конструкция представлена головкой (кольцо или ушко), стержнем и резьбой. Головка обладает подвижностью и позволяет использовать его в случае, когда нужна частая сборка или демонтаж. По стержню нанесена резьба с классом точности 8e и диаметром 5-36 мм. Размерный ряд представлен несколькими типоразмерами Tr: 16*4, 20*4, 24*5 и 30*6. Допускается изготавливать болтов с классом прочности В и С.

Болты откидные ГОСТ 14725-69 изготавливаются в несколько вариантах: с круглой головкой, вилкой, а также с головкой и отверстием для шплинта. Для частого использования потребуются высокопрочные крепежные изделия, автоклавные. При выборе ориентируются на опорную поверхность, которая должна иметь специальное углубление для фиксации.

Чтобы купить откидные болты ГОСТ 14725-69, следует обратиться в «СПбЗКИ». В каталоге представлена полная информация об изделии, характеристики и параметры. Заказать можно прямо на сайте, заполнив форму или по телефонам.

Технические характеристики

Болт ГОСТ 14725-69: характеристики

Крепежная часть изготавливается из качественного материала различных марок и типоразмерах. Это позволит расширить ассортимент изделий. Обычно применяется сталь 45 с оцинкованием в качестве защитного покрытия. Оно придает прочность, устойчивость крепежу. Твердость сырья должна соответствовать 34,5–39,5 единиц.

Конструкция представлена головкой (кольцо или ушко), стержнем и резьбой. Головка обладает подвижностью и позволяет использовать его в случае, когда нужна частая сборка или демонтаж. По стержню нанесена резьба с классом точности 8e и диаметром 5-36 мм. Размерный ряд представлен несколькими типоразмерами Tr: 16*4, 20*4, 24*5 и 30*6. Допускается изготавливать болтов с классом прочности В и С.

Болты откидные ГОСТ 14725-69 изготавливаются в несколько вариантах: с круглой головкой, вилкой, а также с головкой и отверстием для шплинта. Для частого использования потребуются высокопрочные крепежные изделия, автоклавные. При выборе ориентируются на опорную поверхность, которая должна иметь специальное углубление для фиксации.

Чтобы купить откидные болты ГОСТ 14725-69, следует обратиться в «СПбЗКИ». В каталоге представлена полная информация об изделии, характеристики и параметры. Заказать можно прямо на сайте, заполнив форму или по телефонам.

Санкт-Петербургский Завод крепежных изделий © 2025г. Все права защищены
Адрес
СПб, г. Колпино, б-р Трудящихся, дом 2, лит. А., пом. 13-Н, офис 1
Яндекс.Метрика